首页
产品中心
气源件
A系列
AFR、BFR调压过滤器
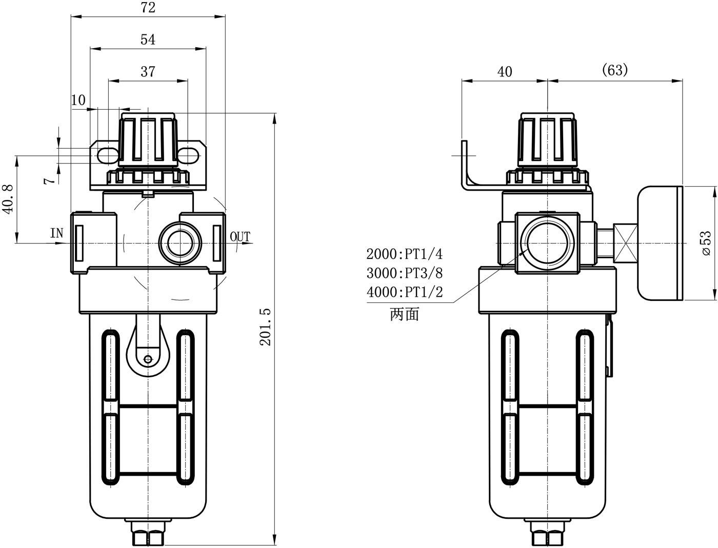
气源件 - A系列
产品特性
1、结构紧凑,安装便利;
2、可防止调定压力因外界因素产生变动;
3、压力损失小,分水效率高;
相关产品 Related Products
MORE +
在线留言
leave a message
CN / EN
Copyright © 2023 宁波正卜屹气动元件有限公司 备案号:浙ICP备2023022794号-1
首页
电话
产品
联系
顶部

电话

158-8818-5363
7*24小时服务热线

微信

二维码微信扫一扫
顶部