正卜屹 · 气动元件制造商
Pneumatic component manufacturer
首页
产品中心
应用领域
自动化装配
机械五金
管道输送
医疗设备
化学化工
电子电工
新闻中心
公司新闻
行业动态
常见问题
展会案例
中国工业展
德国工业展
关于我们
公司简介
企业文化
资质荣誉
联系我们
联系方式
在线留言
158-8818-5363
CN
/
EN
电驱动元件
电驱动元件
气驱动元件
气驱动元件
气动手指
气动手指
无杆气缸
无杆气缸
控制元件
控制元件
机械阀
机械阀
气源件
气源件
辅助元件
辅助元件
首页
产品中心
气驱动元件
薄型气缸
ZAE
气驱动元件 - 薄型气缸
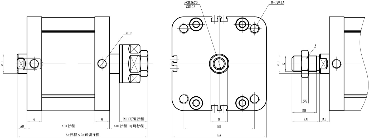
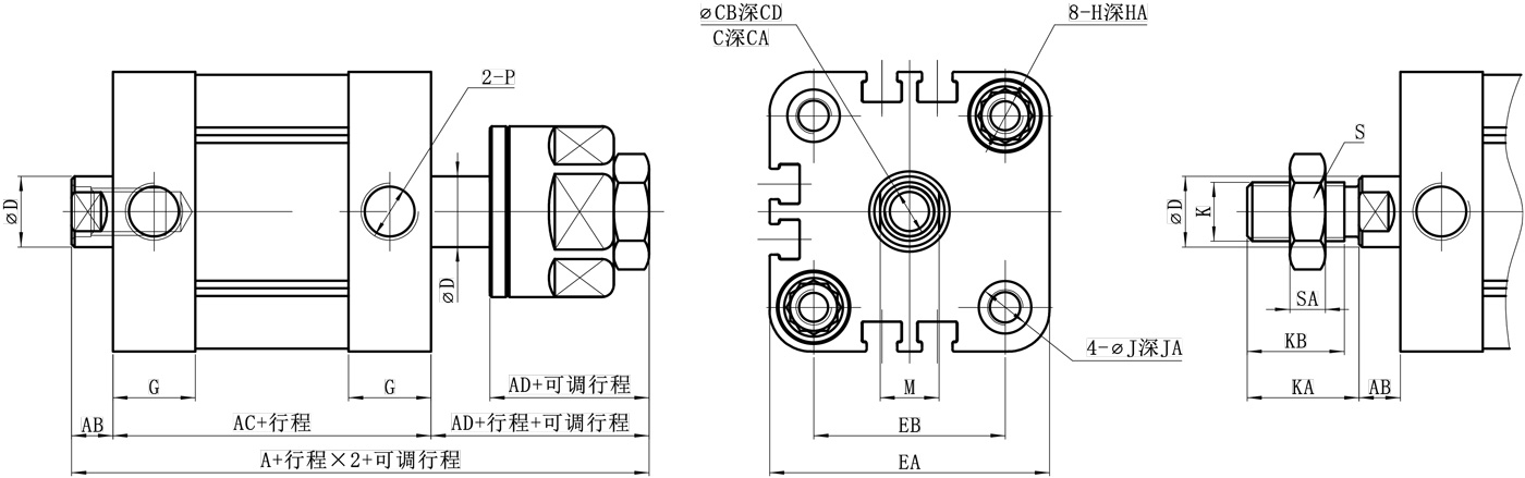
ZAE:标准型、ZAED:双轴型、ZAEJ:双轴可调型;活塞杆螺纹:空白:内螺纹、B:外螺纹
咨询
下载
立刻咨询
158-8818-5363
一键分享:
产品介绍
订购码
技术参数
缸径
12
16
20
25
32
40
50
63
80
100
动作方式
复动型
工作介质
空气(经40μm以上滤网过滤)
使用压力范围
0.15~1.0MPa
保证耐压力
1.5MPa
工作温度
-5~70℃
使用速度范围
30~500mm/s
行程公差范围
+1.5mm
缓冲形式
垫缓冲
接管口径
M5×0.8
G1/8
行程表
缸径
标准行程
最大行程
20
5 10 15 20 25 30 35 40 45 50 55 60 65 70 75 80 90 100
100
25
5 10 15 20 25 30 35 40 45 50 55 60 65 70 75 80 90 100 120 125 150
150
32 40
5 10 15 20 25 30 35 40 45 50 55 60 65 70 75 80 90 100 120 125 150 160 175 200
200
50 63
5 10 15 20 25 30 35 40 45 50 55 60 65 70 75 80 90 100 120 125 150 160 175 200 250
250
80 100
5 10 15 20 25 30 35 40 45 50 55 60 65 70 75 80 90 100 120 125 150 160 175 200 250 275 300
300
无
ZQU
相关产品
Related Products
MORE +
TCM(TCL)
ZMPE
MA
MXQ
MAL
HLA
CXSM
ZQU
在线留言
leave a message
首页
产品中心
电驱动元件
气驱动元件
气动手指
无杆气缸
控制元件
机械阀
气源件
辅助元件
应用领域
自动化装配
机械五金
管道输送
医疗设备
化学化工
电子电工
新闻中心
公司新闻
行业动态
常见问题
展会案例
中国工业展
德国工业展
关于我们
公司简介
企业文化
资质荣誉
联系我们
联系方式
在线留言
联系我们
电话咨询
CN
/
EN
158-8818-5363、137-7725-4072 (微信同号)
mouyc@zeboyi.com、zhouhk@zeboyi.com
浙江省宁波市海曙区集士港镇岳童工业区6号
关注微信公众号
联系客服
产品中心
电驱动元件
气驱动元件
气动手指
无杆气缸
控制元件
机械阀
气源件
辅助元件
应用领域
自动化装配
机械五金
管道输送
医疗设备
化学化工
电子电工
新闻中心
公司新闻
行业动态
常见问题
关于我们
公司简介
企业文化
资质荣誉
联系我们
联系方式
在线留言
Copyright © 2023 宁波正卜屹气动元件有限公司 备案号:
浙ICP备2023022794号-1
首页
电话
产品
联系
顶部
复制成功
微信号:
添加微信好友, 详细了解产品
知道了
电话
158-8818-5363
7*24小时服务热线
微信
微信扫一扫
顶部